
Produkttest
Swisscom im Wi-Fi-Speedtest: Das taugt die Internet-Box 3
von Martin Jud

Bringt der Wi-Fi-Router zu wenig Saft, wird es Zeit für neue Hardware. Beispielsweise für eine Mesh-Erweiterung. Swisscom bietet seinen Kunden dazu die WLAN-Box 2 an.
Die Internet-Box 3 von Swisscom bietet eine solide WLAN-Leistung. Dennoch reicht diese nicht, um auf der gesamten Fläche meiner Wohnung schnelles Internet zu bekommen. Der grösste Knackpunkt war beim Testen des Routers mein Balkon. Mehr als 16,52 Mbps liegen bisher nicht drin. Das soll sich nun ändern.
Willst du dein WLAN erweitern, geht das beispielsweise mit einem mesh-fähigen zusätzlichen Access Point oder Router. Im Gegensatz zu einem WLAN-Repeater, leitet ein Mesh-Access-Point nicht nur ein Signal weiter, sondern erstellt ein zweites dezentrales Funknetz, das Hand in Hand mit dem ersten funktioniert. Es ist auch möglich, mehrere zusätzliche Funknetze aufzubauen – im Fall von Swisscom können bis vier zusätzliche kleine Boxen aufgestellt werden.
Die Spezifikationen der WLAN-Box 2:
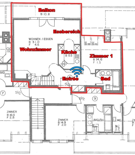
Da meine 140 m² Maisonette bereits zweimal für Wi-Fi-Speedtests herhalten durfte, weiss ich aufgrund der Resultate, wo der beste Ort für die zusätzliche Box ist. Respektive wo das Signal des Routers, der im zweiten Dachgeschoss beim zentralsten Kabelanschluss der Wohnung installiert ist, am stärksten im ersten Dachgeschoss performt. Dabei handelt es sich um den Eingangsbereich, genauer auf dem Schuhschrank an der Wand zur Küche. Auf dem Wohnungsgrundriss unten ist der Standort der Internet-Box 3 grün und derjenige von der Mesh-Erweiterung, der WLAN-Box 2, blau gekennzeichnet.


Die Zusatz-Box lässt sich über eine Smartphone-App oder die Weboberfläche, durch Eingabe der IP-Adresse 192.168.1.1 in einen Browser, ins bestehende WLAN integrieren. Allerdings verfüge ich nicht über Swisscom-Internet, was es zum Konfigurieren benötigt. Meine Box hat mir die PR-Abteilung der Swisscom auf Anfrage vorkonfiguriert zur Verfügung gestellt.

Ist die WLAN-Box 2 erstmal ins bestehende Wi-Fi integriert, können bis zu drei weitere Geräte an deren RJ45-Ports (Gigabit) gehängt werden.
Mit dem immer selben AX-fähigen Notebook begebe ich mich quer durch die Wohnung auf Wanderschaft. Die Geschwindigkeit des neuen Mesh-Systems teste ich mit der Software «LAN Speed Test». Pro Standort lade ich damit mehrfach eine 1 GB grosse Datei auf mein NAS hoch und wieder runter. Die Latenz ermittle ich in der DOS-Konsole – ich pinge mein NAS an. Für die Signalstärke, welche in Dezibel Milliwatt (dBm) angegeben wird, nutze ich die Software «NetSpot». Die weiter unten im Artikel gezeigten Heatmaps sind von NetSpot.
Das Swisscom Mesh-Wi-Fi schneidet wie folgt ab:
| Standort | 5-GHz-Frequenzband
Geschwindigkeit / Ping / Signalstärke | 2,4-GHz-Frequenzband
Geschwindigkeit / Ping / Signalstärke |
|---|---|---|
| Entrée | 415,33 Mbps / 3 ms / -40 dBm | 148,02 Mbps / 4 ms / -44 dBm |
| Wohnzimmer | 392,59 Mbps / 4 ms / -59 dBm | 112,12 Mbps / 5 ms / -58 dBm |
| Essbereich | 390,04 Mbps / 4 ms / -58 dBm | 111,37 Mbps / 5 ms / -63 dBm |
| Küche | 396,55 Mbps / 3 ms / -55 dBm | 126,56 Mbps / 4 ms / -56 dBm |
| Balkon | 238,47 Mbps / 4 ms / -70 dBm | 80,81 Mbps / 5 ms / -72 dBm |
| Zimmer 1 | 396,21 Mbps / 3 ms / -54 dBm | 112,98 Mbps / 4 ms / -63 dBm |
| Bad | 378,08 Mbps / 3 ms / -55 dBm | 110,25 Mbps / 4 ms / -61 dBm |
| Flur | 743,90 Mbps / 2 ms / -48 dBm | 135,74 Mbps / 3 ms / -58 dBm |
| Zimmer 2 | 461,16 Mbps / 3 ms / -63 dBm | 96,16 Mbps / 4 ms / -64 dBm |
| Zimmer 3 | 823,72 Mbps / 2 ms / -40 dBm | 169,53 Mbps / 2 ms / -43 dBm |
| Zimmer 4 | 492,75 Mbps / 3 ms / -60 dBm | 94,09 Mbps / 4 ms / -64 dBm |
| Dusche/WC | 656,87 Mbps / 2 ms / -55 dBm | 109,47 Mbps / 3 ms / -58 dBm |
| Ø | 482,14 Mbps / 3 ms / -55 dBm | 117,26 Mbps / 4 ms / -59 dBm |
Die beiden Swisscom-Boxen schaffen es, den Signalpegel hoch zu halten. Selbst die Problemzone Balkon bekommt mit -70 beziehungsweise -72 dBm eine passable Signalstärke. Genauso gefällt auch die geringe Latenz von 3 ms im 5-GHz- und 4 ms im 2,4-GHz-Frequenzbereich.
Über beide Stockwerke gesehen schafft es das 5-GHz-WLAN auf durschnittliche 482,14 Mbps – 117,26 Mbps sind’s bei 2,4 GHz. Das entspricht ungefähr dem Datendurchsatz von 20 UHD-Netflix-Streams.
Die Heatmaps sind für einmal nirgendwo tief blau gefärbt. Gut so, denn je tiefer und blauer das Signal, desto weniger gut der Empfang. Prekär wird es erfahrungsgemäss ab -80 dBm.



Dass der Funk im 2,4-GHz-Bereich weiter kommt, spielt beim gegebenen Mesh-Setup keine Rolle. Die abzudeckenden Bereiche sind zu wenig weit entfernt, als dass dies greifen würde. Selbst auf dem Balkon performt das 5-GHz-Band um 2 dBm besser.



Mit Blick auf das 5-GHz-Band kommt die Swisscom Internet-Box 3 im Einzelbetrieb im ersten Dachgeschoss auf 246,07 Mbps. Mit der Zusatzbox schaffte es Swisscom auf 372,47 Mbps. Ein sattes Plus von 126,40 Mbps. Auf dem Balkon, der in dem Band bisher nicht zu erreichen war, ist es sogar ein Plus von 238,47 Mbps. Über die gesamte Wohnung gesehen steigt der Datendurchsatz um 83,17 Mbps. Da kann meine alte UPC Connect Box nicht mithalten.
Mit der guten 5-GHz-Abdeckung durch das Mesh-System spielt der 2,4-GHz-Frequenzbereich nur noch eine untergeordnete Rolle. Dieser kommt durch die zweite Box nun auch mit annehmbarer Geschwindigkeit und Latenz auf den Balkon. Der Zuwachs zum Einzelbetrieb der Internet-Box beträgt gesamthaft 16,93 Mbps.
Der 5-GHz-Vergleich:
| Standort | Swisscom Mesh-Wi-Fi (Wi-Fi 6) | Swisscom Internet-Box 3 (Wi-Fi 6) | UPC Connect Box (Wi-Fi 5) |
|---|---|---|---|
| Entrée | 415,33 Mbps / 3 ms / -40 dBm | 458,23 Mbps / 2 ms / -64 dBm | 121,36 Mbps / 4 ms / -73 dBm |
| Wohnzimmer | 392,59 Mbps / 4 ms / -59 dBm | 155,35 Mbps / 4 ms / -78 dBm | 31,71 Mbps / 12 ms / -76 dBm |
| Essbereich | 390,04 Mbps / 4 ms / -58 dBm | 127,94 Mbps / 5 ms / -83 dBm | 0 Mbps / kein Ping / -82 dBm |
| Küche | 396,55 Mbps / 3 ms / -55 dBm | 240,57 Mbps / 3 ms / -75 dBm | 0 Mbps / kein Ping / -81 dBm |
| Balkon | 238,47 Mbps / 4 ms / -70 dBm | 0 Mbps / kein Ping / -92 dBm | 0 Mbps / kein Ping / -83 dBm |
| Zimmer 1 | 396,21 Mbps / 3 ms / -54 dBm | 357,59 Mbps / 3 ms / -71 dBm | 23,49 Mbps / 14 ms / -78 dBm |
| Bad | 378,08 Mbps / 3 ms / -55 dBm | 382,80 Mbps / 3 ms / -71 dBm | 85,84 Mbps / 5 ms / -75 dBm |
| Flur | 743,90 Mbps / 2 ms / -48 dBm | 718,72 Mbps / 2 ms / -47 dBm | 456,66 Mbps / 5 ms / -55 dBm |
| Zimmer 2 | 461,16 Mbps / 3 ms / -63 dBm | 446,76 Mbps / 3 ms / -64 dBm | 384,16 Mbps / 5 ms / -63 dBm |
| Zimmer 3 | 823,72 Mbps / 2 ms / -40 dBm | 795,61 Mbps / 2 ms / -38 dBm | 492,58 Mbps / 3 ms / -46 dBm |
| Zimmer 4 | 492,75 Mbps / 3 ms / -60 dBm | 475,07 Mbps / 3 ms / -60 dBm | 432,33 Mbps / 4 ms / -55 dBm |
| Dusche/WC | 656,87 Mbps / 2 ms / -55 dBm | 628,98 Mbps / 2 ms / -54 dBm | 382,73 Mbps / 4 ms / -57 dBm |
| Ø | 482,14 Mbps / 3 ms / -55 dBm | 398,97 Mbps / 3 ms* / -66 dBm | 200,91 Mbps / 6 ms* / -69 dBm |
* Durchschnittswert der Räume, welche Empfang haben.
Der 2,4-GHz-Vergleich:
| Standort | Swisscom Mesh-Wi-Fi (Wi-Fi 6) | Swisscom Internet-Box 3 (Wi-Fi 6) | UPC Connect Box (Wi-Fi 5) |
|---|---|---|---|
| Entrée | 148,02 Mbps / 4 ms / -44 dBm | 135,46 Mbps / 3 ms / -64 dBm | 64,87 Mbps / 6 ms / -66 dBm |
| Wohnzimmer | 112,12 Mbps / 5 ms / -58 dBm | 48,98 Mbps / 5 ms / -77 dBm | 52,30 Mbps / 7 ms / -69 dBm |
| Essbereich | 111,37 Mbps / 5 ms / -63 dBm | 54,61 Mbps / 5 ms / -75 dBm | 31,81 Mbps / 8 ms / -74 dBm |
| Küche | 126,56 Mbps / 4 ms / -56 dBm | 128,03 Mbps / 3 ms / -65 dBm | 28,43 Mbps / 8 ms / -76 dBm |
| Balkon | 80,81 Mbps / 5 ms / -72 dBm | 16,52 Mbps / 12 ms / -85 dBm | 16,71 Mbps / 11 ms / -80 dBm |
| Zimmer 1 | 112,98 Mbps / 4 ms / -63 dBm | 106,37 Mbps / 4 ms / -65 dBm | 46,17 Mbps / 7 ms / -69 dBm |
| Bad | 110,25 Mbps / 4 ms / -61 dBm | 108,42 Mbps / 3 ms / -71 dBm | 63,25 Mbps / 6 ms / -65 dBm |
| Flur | 135,74 Mbps / 3 ms / -58 dBm | 150,74 Mbps / 2 ms / -54 dBm | 87,12 Mbps / 5 ms / -57 dBm |
| Zimmer 2 | 96,16 Mbps / 4 ms / -64 dBm | 88,33 Mbps / 4 ms / -70 dBm | 72,68 Mbps / 7 ms / -60 dBm |
| Zimmer 3 | 169,53 Mbps / 2 ms / -43 dBm | 176,88 Mbps / 2 ms / -45 dBm | 93,54 Mbps / 4 ms / -41 dBm |
| Zimmer 4 | 94,09 Mbps / 4 ms / -64 dBm | 86,32 Mbps / 4 ms / -64 dBm | 91,09 Mbps / 6 ms / -55 dBm |
| Dusche/WC | 109,47 Mbps / 3 ms / -58 dBm | 103,29 Mbps / 3 ms / -60 dBm | 89,96 Mbps / 6 ms / -55 dBm |
| Ø | 117,26 Mbps / 4 ms / -59 dBm | 100,33 Mbps / 4 ms / -66 dBm | 61,49 Mbps / 7 ms / -64 dBm |
Die Swisscom bietet mit ihrer Zusatzbox eine für Mesh-Verhältnisse günstige WLAN-Erweiterung. Endlich kann ich auf der gesamten Wohnfläche surfen. Oder ich könnte es, hätte ich ein Swisscom-Abonnement. Mir gefällt der Zusatz-Speed, doch ist es zu früh, in Freudentaumel zu versinken. Bestimmt gibt es noch stärkere Mesh-Lösungen.
Wie gut das Mesh-System der Swisscom genau abgeschnitten hat, werde ich in künftigen Tests ausloten. Als nächstes dürfen zwei Wi-Fi-6-Router von Asus an den Start. Ich bin sehr gespannt, wie viel mehr oder weniger die und weitere Geräte leisten werden. Du auch? Dann folge mir mit einem Klick auf den «Autor folgen»-Button.
Der tägliche Kuss der Muse lässt meine Kreativität spriessen. Werde ich mal nicht geküsst, so versuche ich mich mittels Träumen neu zu inspirieren. Denn wer träumt, verschläft nie sein Leben.
Unsere Expertinnen und Experten testen Produkte und deren Anwendungen. Unabhängig und neutral.
Alle anzeigen